Description
How do freeze-resistant valves work and how to choose the right one?
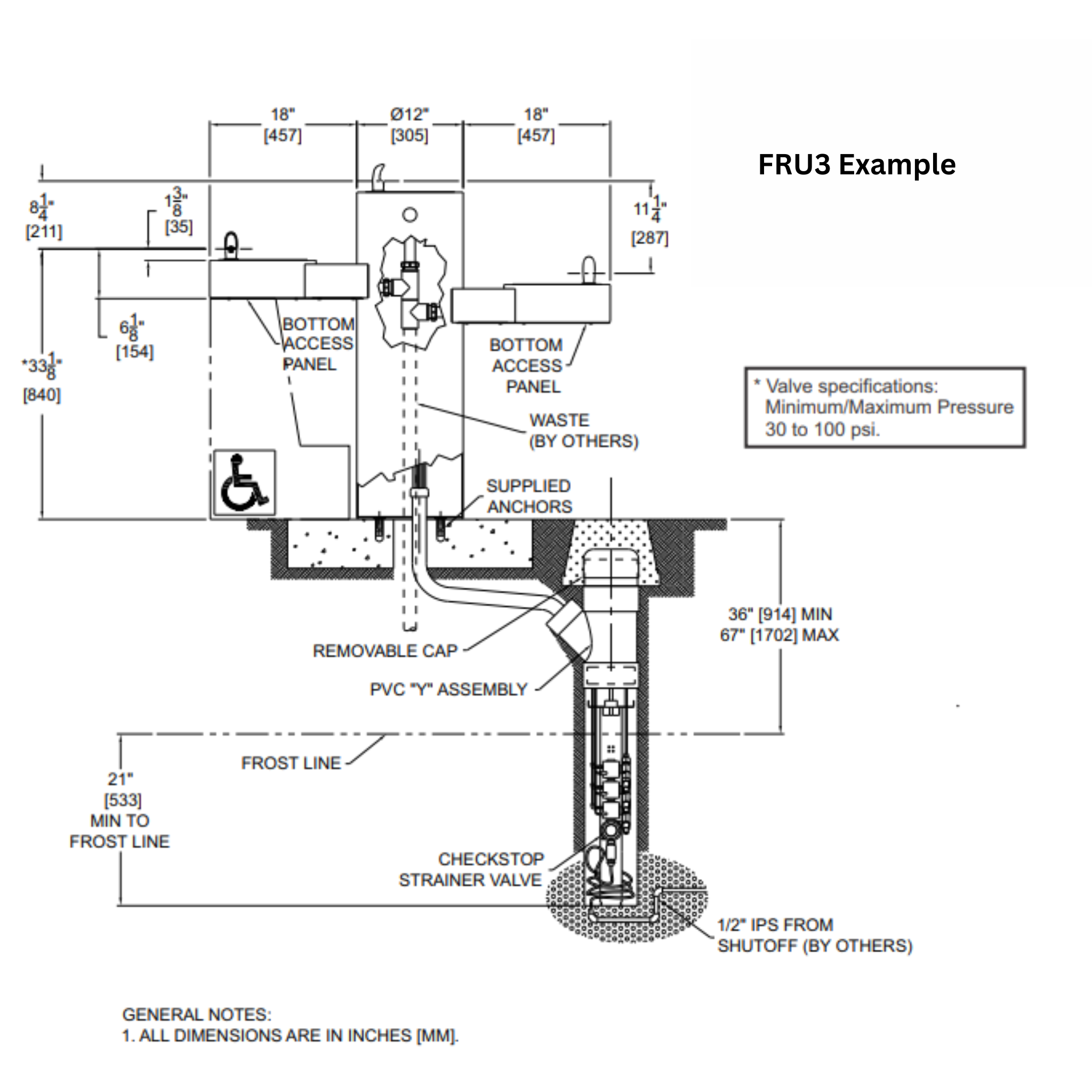
The valve is installed below the ground below freezing line. In Europe, it is usually 1.2m -1.4m. The customer can specify the length and the valve so it will be prepared.
How to choose the right valve for your device?
For all wall-mounted units use FRA valves.
Cheat sheet:
For the end user, the noticeable difference is that the water comes out of the bubbler after few seconds after you push button. The valve is in the ground, not in the device, and the water must have time to flow to the top. For such models, I recommend putting a plate or sticker with such information, because someone people will come up and press the button and the water will not flow and they will think it is broken. And this is the frost- resistant version.
| FRU1 | Freeze-Resistant Below Ground Valve, Single Outlet | FOR: GRF, M-OBF, BF3, BF4, GRC, GRJ, M-OBA, M-OBR |
| FRU2 | Freeze-Resistant Below Ground Valve, Two Outlets | FOR: GRM, GRF-PF, M-OBF-PF, GRJ-PF, GYM |
| FRU3 | Freeze-Resistant Below Ground Valve, Three Outlets | FOR: GYQ, GRM-PF, GYM-PF |
| FRA1 | Freeze-Resistant Below Ground Valve, Single Outlet | FOR: GRC |
| FRA2 | Freeze-Resistant Below Ground Valve, Two Outlets | FOR: GYE14, GRD |
| FRA3 | Freeze-Resistant Below Ground Valve, Three Outlets | FOR: GYE24 |
| FRU4 | Freeze-Resistant Below Ground Valve, Four Outlets | FOR: GYQ-PF |
Downloads
Installation Instruction for -FRU option
L1T00007_troubleshoot_drinking_fountains_FRUandBottleFillerValve























