Description
MULTIPUR backwash filters are designed for high flow rates up to 105 m³/h and are a perfect solution for industrial and building applications. Also here BWT offers you its patented two-phase backwash technology, an unique suction ring backwash system, 12 times faster than other systems.
Filter complete with red brass housing, filter and backwashing elements, flange connection PN is executed automatically and electronically controlled. The process is differential pressure controlled with time priority. Optical operation and fault indication, transformer plug with safe 12 V low voltage and possibility of manual rinsing. Fault signal (potential-free contact) for building management system available. No additional differential manometer necessary.
Which one to choose?
| MULTIPUR M | MULTIPUR AP | |
| Safe and reliable protection against sand and rust | x | x |
| No electricity required | x | |
| Unattended operation | x | |
| Automatic backwash if the mesh is dirty | x | |
| Automatic time-based backwash | x | |
| Lowest service costs in comparison | x |
MULTIPUR AP
- Safety through automatic, time and differential pressure-controlled backwashing without interruption of operation
- Efficient cleaning process due to suction ring system (12 times faster than others)
- 90 % of the filter surface is used for filtering during backwashing
Technical Specifications
|
Multipur AP |
Typ | 65 | 80 | 100 | 125 | 150 |
|
Nominal connection width |
DN | 65 | 80 | 100 | 125 | 150 |
|
Connection type |
|
Flange |
connection |
DIN 2501, |
Part 1 |
|
|
Flange Ø |
mm |
145 |
160 |
180 |
210 |
240 |
|
Flangebore Ø |
mm |
18 |
18 |
18 |
18 |
22 |
|
Nominal flow |
m3 /h |
58 |
58 |
82 |
91 |
105 |
|
Flow capacity at ∆p = 0,2 bar |
m3 /h |
35 |
35 |
56 |
57 |
61 |
|
Flow capacity at ∆p = 0,5 bar |
m3 /h |
58 |
58 |
82 |
91 |
105 |
|
Micron rating |
µm |
100 or 200 |
100 or 200 |
100 |
100 |
100 |
|
Nominal pressure (PN) |
bar |
10 |
10 |
10 |
10 |
10 |
|
Operating pressure po min./max |
bar |
2,5 – 10 |
2,5 – 10 |
2,5 – 10 |
2,5 – 10 |
2,5 – 10 |
|
Water temperature , min./max |
°C |
5 – 30 |
5 – 30 |
5 – 30 |
5 – 30 |
5 – 30 |
|
Ambient temperature, min./max. |
°C |
5 – 40 |
5 – 40 |
5 – 40 |
5 – 40 |
5 – 40 |
|
Minimum pressure behind filter (for backwashing) |
bar |
2,5 |
2,5 |
2,5 |
2,5 |
2,5 |
|
Length of backwashing, approx. |
s |
10 |
10 |
10 |
10 |
10 |
| Rinsing water volume at 4 bar | l | 16 | 16 | 24 | 30 | 30 |
|
Water flow at backwashing |
l/s |
1,5 |
1,5 |
2,5 |
3,0 |
3,0 |
| Mains connection | V/Hz | 230/50 | 230/50 | 230/50 | 230/50 | 230/50 |
| Operating voltage | V- | 24 | 24 | 24 | 24 | 24 |
| Power consumption, max. | W | 8 | 8 | 8 | 8 | 8 |
| Power consumption during backwashing, max. | W | 12 | 12 | 12 | 12 | 12 |
| CIC - dry contact, switching capacity max. | V / A | 24 V / 1 A | (resistive | load) | ||
| Protection | IP54 | IP54 | IP54 | IP54 | IP54 | |
| Drainage connection, min. | DN | 50 | 50 | 50 | 75 | 75 |
|
Operating weight, approx. |
kg |
15 |
18 |
24 |
33 |
38 |
| Shipping weight, approx | kg | 13 | 16 | 21 | 28 | 32 |
|
Order no. (100 µm) |
10181 |
10182 |
10565 |
10566 |
10567 |
|
|
Order no. (200 µm) |
10183 |
10184 |
- |
- | - |
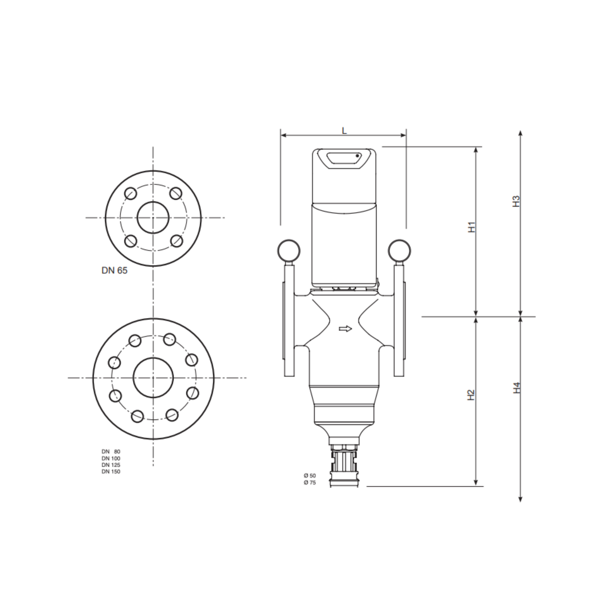
Dimensions
| Multipur M | Typ | 65 | 80 | 100 | 125 | 150 |
| Overall height | mm | 630 | 630 | 680 | 770 | 770 |
| Height, top edge to centre of tube (H1) | mm | 310 |
310 |
310 |
310 |
310 |
| Height, lower edge to centre of tube (H2) | mm |
320 |
320 |
370 |
460 |
460 |
| Minimum distance, centre of tube to ceiling (H3) | mm |
400 |
400 |
400 |
400 |
400 |
| Minimum distance, centre of tube to floor (H4) | mm | 400 | 400 | 400 | 640 | 640 |
| Minimum distance, centre of tube to wall | mm | 100 | 105 | 115 | 130 | 145 |
| Installation length (L) | mm | 220 | 220 | 220 | 220 | 220 |


















